晶振分類
- 晶振系列
- 陶瓷晶振
- 陶瓷濾波器
- 微孔霧化片
- 希華晶體
- 石英晶振
- SMD晶振
- 聲表面諧振器
- NSK晶振
- TXC晶振
- 臺灣加高晶振
- 臺灣鴻星晶振
- 百利通亞陶晶振
- 臺灣泰藝晶振
- AKER晶振
- NKG晶振
- 進口晶振
- KDS晶振
- 精工晶振
- 村田晶振
- 西鐵城晶振
- 愛普生晶振
- 亞陶,嘉碩晶體
- CTS晶體
- 京瓷晶振
- NDK晶振
- 大河晶振
- 瑪居禮晶振
- 富士晶振
- NAKA晶振
- SMI晶振
- NJR晶振
- 移動設備
- 數碼電子
- 通信網絡
- 醫療電子
- 安防GPRS導航
- 汽車電子
- 歐美晶振
- Abracon晶振
- 康納溫菲爾德晶振
- 日蝕晶振
- ECS晶振
- 高利奇晶振
- 格林雷晶振
- IDT晶振
- JAUCH晶振
- Pletronics晶振
- 拉隆晶振
- Statek晶振
- SiTime晶振
- 維管晶振
- 瑞康晶振
- 微晶晶振
- AEK晶振
- AEL晶振
- Cardinal晶振
- Crystek晶振
- Euroquartz晶振
- Fox晶振
- Frequency晶振
- GEYER晶振
- KVG晶振
- ILSI晶振
- Mmdcomp晶振
- MtronPTI晶振
- QANTEK晶振
- QuartzCom晶振
- Quarztechnik晶振
- Suntsu晶振
- Transko晶振
- Wi2Wi晶振
- ACT晶振
- MTI-milliren晶振
- Lihom晶振
- Rubyquartz晶振
- Oscilent晶振
- SHINSUNG晶振
- ITTI晶振
- PDI晶振
- IQD晶振
- Microchip晶振
- Silicon晶振
- Anderson晶振
- Fortiming晶振
- CORE晶振
- NIPPON晶振
- NIC晶振
- QVS晶振
- Bomar晶振
- Bliley晶振
- GED晶振
- FILTRONETICS晶振
- STD晶振
- Q-Tech晶振
- Wenzel晶振
- NEL晶振
- EM晶振
- PETERMANN晶振
- FCD-Tech晶振
- HEC晶振
- FMI晶振
- Macrobizes晶振
- AXTAL晶振
- Sunny晶振
- ARGO晶振
- Dynamic迪拉尼
- 石英晶體振蕩器
- 有源晶振
- 溫補晶振
- 壓控晶振
- 壓控溫補晶振
- 恒溫晶振
- 差分晶振
常見問題
更多>>
Raltron晶振公司為了滿足快速增長的無線應用市場的需求,Raltron晶振也將其定位作為一個完整的解決方案供應商,在其晶體和石英晶體振蕩器中添加SAW器件和LTCC濾波器發行.該公司還為同一市場開發了完整的天線產品系列.所有Raltron晶振員工致力于追求品質和卓越. 這個哲學通過多年不間斷的增長,使得Raltron處于領先地位.
Raltron晶振致力于通過投入大部分收入來持續增長深化現有客戶關系,滲透新市場,發展前沿性能新產品.Raltron晶振自豪地為消費電子市場提供晶體,調諧叉,時鐘振蕩器,鋸設備,陶瓷諧振器,LTCC RF陶瓷產品和天線. 該產品旨在滿足消費者應用的關鍵要求,如電池操作相關的低尺寸,小尺寸和低功耗.

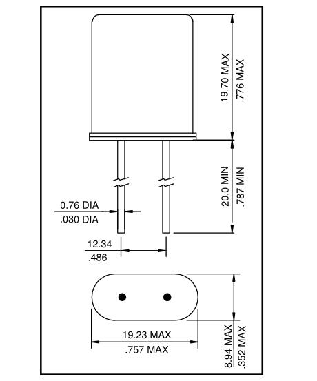
Raltron晶振,石英晶振,HC-51/U晶振,插件石英晶振最適合用于比較低端的電子產品,比如兒童玩具,普通家用電器,即使在汽車電子領域中也能使產品高可靠性的使用.并且可用于安全控制裝置的CPU時鐘信號發生源部分,好比時鐘單片機上的石英晶振,在極端嚴酷的環境條件下,晶振也能正常工作,具有穩定的起振特性,高耐熱性,耐熱循環性和耐振性等的高可靠性能,
|



超聲波清洗
(1)使用AT-切割晶體和表面聲波9SAW)諧振器/聲表面濾波器的產品,可以通過超聲波進行清洗.但是,在某些條件下, 晶體特性可能會受到影響,而且內部線路可能受到損壞.確保已事先檢查系統的適用性.
(2)使用音叉晶體和陀螺儀傳感器的產品無法確保能夠通過超聲波方法進行清洗,因為晶體可能受到破壞.HC-51/U晶振,大體積插件晶振,低頻率石英晶體。
(3)請勿清洗開啟式產品
(4)對于可清洗產品,應避免使用可能對石英水晶諧振器產生負面影響的清洗劑或溶劑等.
(5)焊料助焊劑的殘留會吸收水分并凝固.這會引起諸如位移等其它現象.這將會負面影響晶振的可靠性和質量.請清理殘余的助焊劑并烘干PCB.Raltron晶振,石英晶振,HC-51/U晶振.
使用環境(溫度和濕度)
請在規定的溫度范圍內使用耐高溫晶振.這個溫度涉及本體的和季節變化的溫度.在高濕環境下,會由于凝露引起故障.請避免凝露的產生.

RALTRON晶振集團在“制造、使用、有效利用、再利用”這樣一個產品生命周期中,努力創造豐富的價值,給社會帶來溫馨和安寧,感動和驚喜,同時為減少環境影響,遵守所有適用的有關環境、健康和安全的法律和法規以及RALTRON晶振集團自己的有關環境、工業衛生和安全的方針和承諾. 為確保安全、提高保護預防措施、49U插件晶振產品的可靠性以及職業安全,確保職業健康與環境的優越性,通過正式的管理評審和對健康、安全和環境實施效果的持續改進,保護人群及財產與環境.HC-51/U晶振,大體積插件晶振,低頻率石英晶體。
重視污染預防,消除偏離程序的行為強調通過員工努力這一最可行的方法持續改進我們經營活動的環境績效. 公司于2008年12月通過OHSAS18001職業安全衛生管理系統驗證,提供勞工符合系統要求的安全衛生工作環境.我們將持續的環境、健康和安全方面的改進、污染預防和員工的努力納入日常運行當中.加強產品污染防治,減少現有的49U插件石英晶體產品污染廢棄物以及在未來生產制造中所產生的污染.Raltron晶振,石英晶振,HC-51/U晶振.
美國RALTRON晶振公司事業產品廢棄物產出量逐年降低,可回收、再利用之廢棄物比例逐年提高,各項排放檢測數據符合政府法規要求.并由原材料管控禁用或限用環境危害物質與國際大廠對于綠色生產及綠色低頻率49U插件諧振器產品的要求相符,于2004年通過SONY 綠色伙伴(Green Partner)驗證. 將持續的環境、健康和安全方面的改進、產品污染預防和員工的努力納入日常運行當中.加強污染防治,減少現有的污染廢棄物以及在未來生產制造中所產生的污染.

深圳市兆現電子有限公司
聯系人:龔成
電話:0755--27876236聯系人:龔成
QQ:769468702
手機:13590198504
郵箱:zhaoxiandz@163.com
網站:http://www.jianlitc.cn/









