晶振分類
- 晶振系列
- 陶瓷晶振
- 陶瓷濾波器
- 微孔霧化片
- 希華晶體
- 石英晶振
- SMD晶振
- 聲表面諧振器
- NSK晶振
- TXC晶振
- 臺灣加高晶振
- 臺灣鴻星晶振
- 百利通亞陶晶振
- 臺灣泰藝晶振
- AKER晶振
- NKG晶振
- 進口晶振
- KDS晶振
- 精工晶振
- 村田晶振
- 西鐵城晶振
- 愛普生晶振
- 亞陶,嘉碩晶體
- CTS晶體
- 京瓷晶振
- NDK晶振
- 大河晶振
- 瑪居禮晶振
- 富士晶振
- NAKA晶振
- SMI晶振
- NJR晶振
- 移動設備
- 數碼電子
- 通信網絡
- 醫療電子
- 安防GPRS導航
- 汽車電子
- 歐美晶振
- Abracon晶振
- 康納溫菲爾德晶振
- 日蝕晶振
- ECS晶振
- 高利奇晶振
- 格林雷晶振
- IDT晶振
- JAUCH晶振
- Pletronics晶振
- 拉隆晶振
- Statek晶振
- SiTime晶振
- 維管晶振
- 瑞康晶振
- 微晶晶振
- AEK晶振
- AEL晶振
- Cardinal晶振
- Crystek晶振
- Euroquartz晶振
- Fox晶振
- Frequency晶振
- GEYER晶振
- KVG晶振
- ILSI晶振
- Mmdcomp晶振
- MtronPTI晶振
- QANTEK晶振
- QuartzCom晶振
- Quarztechnik晶振
- Suntsu晶振
- Transko晶振
- Wi2Wi晶振
- ACT晶振
- MTI-milliren晶振
- Lihom晶振
- Rubyquartz晶振
- Oscilent晶振
- SHINSUNG晶振
- ITTI晶振
- PDI晶振
- IQD晶振
- Microchip晶振
- Silicon晶振
- Anderson晶振
- Fortiming晶振
- CORE晶振
- NIPPON晶振
- NIC晶振
- QVS晶振
- Bomar晶振
- Bliley晶振
- GED晶振
- FILTRONETICS晶振
- STD晶振
- Q-Tech晶振
- Wenzel晶振
- NEL晶振
- EM晶振
- PETERMANN晶振
- FCD-Tech晶振
- HEC晶振
- FMI晶振
- Macrobizes晶振
- AXTAL晶振
- Sunny晶振
- ARGO晶振
- Dynamic迪拉尼
- 石英晶體振蕩器
- 有源晶振
- 溫補晶振
- 壓控晶振
- 壓控溫補晶振
- 恒溫晶振
- 差分晶振
常見問題
更多>>
JAUCH集團是石英晶體、石英晶體振蕩器和電池技術的主要專家之一.我們已投資于位于villingen - schwenningen總部的生產設施,以及時滿足世界各地的客戶需求:MEMS振蕩器在我們自己的生產設施中配置并交付,關注時效性.我們希望在質量和業務方面成為國際領先的石英晶振公司.因此,我們仍然是一個有吸引力和可靠的雇主,并且是一個先進且持續成功的公司. 我們的基本原則,包括我們的雇員的安全和健康,童工,歧視,公平薪酬,腐敗,賄賂以及環境保護,
自然保護和環境保護對公司非常重要.只有在一個穩定的環境下,我們才能在長期內繼續開展石英晶振生產的業務活動.遵守國家標準和規定.對電池的運輸、儲存和處置的相關標準和程序進行跟蹤.同樣的規定也適用于廢物管理、化學品和其他有害物質的處理和處置、排放和廢水處理.

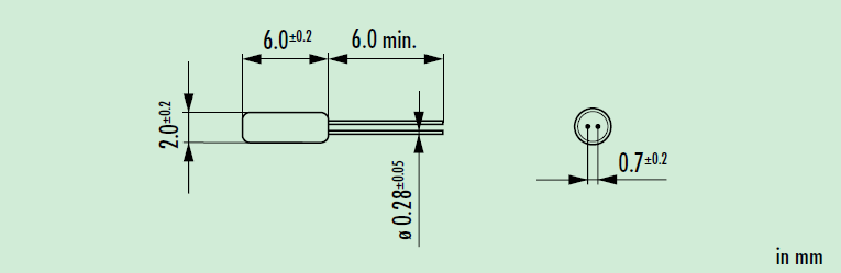
JAUCH晶振,石英晶振,MMTF32晶振,插件石英晶振最適合用于比較低端的電子產品,比如兒童玩具,普通家用電器,即使在汽車電子領域中也能使產品高可靠性的使用.并且可用于安全控制裝置的CPU時鐘信號發生源部分,好比時鐘單片機上的石英晶振,在極端嚴酷的環境條件下,晶振也能正常工作,具有穩定的起振特性,高耐熱性,耐熱循環性和耐振性等的高可靠性能,
|



未用輸入終端的處理
未用針腳可能會引起噪聲響應,從而導致非正常工作.同時,當P通道和N通道都處于打開時,電源功率消耗也會增加;因此,請將未用輸入終端連接到VCC 或GND.
熱影響
重復的溫度巨大變化可能會降低受損害的有源晶振的產品特性,并導致塑料封裝里的線路擊穿.必須避免這種情況.JAUCH晶振,石英晶振,MMTF32晶振
安裝方向
進口晶體振蕩器的不正確安裝會導致故障以及崩潰,因此安裝時,請檢查安裝方向是否正確.MMTF32晶振,32.768K音叉型晶振,圓柱型石英晶振
通電
不建議從中間電位和/或極快速通電,否則會導致有源晶體無法產生振蕩和/或非正常工作.晶振的軟焊溫度條件被設計成可以和普通電子零部件同時作業,但如果是超過規格以上的高溫,則頻率有可能發生較大的變化,因此請避免不必要的高溫度.有關SMD產品的回流焊焊接溫度描述,請參照“表面貼裝型晶體產品的回流焊焊接溫度描述”.

JAUCH晶振公司嚴格遵守國家有關工程建設法律、法規,不斷提高員工的質量意識和能力,履行合約、信守承諾,堅持開拓創新,生產新2x6音叉表晶產品,不斷提升企業的施工技術素質和質量管理水平,以科學學嚴密的施工管理和真誠的服務讓業主高度滿意. 努力保護全球環境的環保意識進行環保生產和提供產品以及服務給消費者.JAUCH晶振,石英晶振,MMTF32晶振
嚴格遵守國家職業安全健康法律、法規,培養員工的安全意識和能力,持續改進職業安全健康管理績效,提高32.768K時鐘晶振生產效率,預先采取安全措施,消除或降低危險,優先選用安全系數高的材料、設備及工藝,提高事故預防水平,創造良好的工作環境,保障員工的身心健康. 遵守環境法律、法規、條例、規則、協議、和其他需求,努力降低環境影響,防止污染.MMTF32晶振,32.768K音叉型晶振,圓柱型石英晶振
JAUCH晶振公司自覺遵守有關環境法律、法規,培養員工的環保意識和生產2x6圓柱晶體產品能力,持續改進環保績效,優先使用環保型材料、設備及施工工藝,做到污染預防,最終創建具有環保、節能、適宜性特征的優質工程.進行協同集團全球環境保全措施作為全球業務支持一個可持續發展的社會發展.減少能源消耗,開展資源節約、資源回收和適當的化學管理工廠和辦公室,導致全球變暖的預防和循環型社會的建立.

深圳市兆現電子有限公司
聯系人:龔成
電話:0755--27876236聯系人:龔成
QQ:769468702
手機:13590198504
郵箱:zhaoxiandz@163.com
網站:http://www.jianlitc.cn/









