晶振分類
- 晶振系列
- 陶瓷晶振
- 陶瓷濾波器
- 微孔霧化片
- 希華晶體
- 石英晶振
- SMD晶振
- 聲表面諧振器
- NSK晶振
- TXC晶振
- 臺灣加高晶振
- 臺灣鴻星晶振
- 百利通亞陶晶振
- 臺灣泰藝晶振
- AKER晶振
- NKG晶振
- 進口晶振
- KDS晶振
- 精工晶振
- 村田晶振
- 西鐵城晶振
- 愛普生晶振
- 亞陶,嘉碩晶體
- CTS晶體
- 京瓷晶振
- NDK晶振
- 大河晶振
- 瑪居禮晶振
- 富士晶振
- NAKA晶振
- SMI晶振
- NJR晶振
- 移動設備
- 數碼電子
- 通信網絡
- 醫療電子
- 安防GPRS導航
- 汽車電子
- 歐美晶振
- Abracon晶振
- 康納溫菲爾德晶振
- 日蝕晶振
- ECS晶振
- 高利奇晶振
- 格林雷晶振
- IDT晶振
- JAUCH晶振
- Pletronics晶振
- 拉隆晶振
- Statek晶振
- SiTime晶振
- 維管晶振
- 瑞康晶振
- 微晶晶振
- AEK晶振
- AEL晶振
- Cardinal晶振
- Crystek晶振
- Euroquartz晶振
- Fox晶振
- Frequency晶振
- GEYER晶振
- KVG晶振
- ILSI晶振
- Mmdcomp晶振
- MtronPTI晶振
- QANTEK晶振
- QuartzCom晶振
- Quarztechnik晶振
- Suntsu晶振
- Transko晶振
- Wi2Wi晶振
- ACT晶振
- MTI-milliren晶振
- Lihom晶振
- Rubyquartz晶振
- Oscilent晶振
- SHINSUNG晶振
- ITTI晶振
- PDI晶振
- IQD晶振
- Microchip晶振
- Silicon晶振
- Anderson晶振
- Fortiming晶振
- CORE晶振
- NIPPON晶振
- NIC晶振
- QVS晶振
- Bomar晶振
- Bliley晶振
- GED晶振
- FILTRONETICS晶振
- STD晶振
- Q-Tech晶振
- Wenzel晶振
- NEL晶振
- EM晶振
- PETERMANN晶振
- FCD-Tech晶振
- HEC晶振
- FMI晶振
- Macrobizes晶振
- AXTAL晶振
- Sunny晶振
- ARGO晶振
- Dynamic迪拉尼
- 石英晶體振蕩器
- 有源晶振
- 溫補晶振
- 壓控晶振
- 壓控溫補晶振
- 恒溫晶振
- 差分晶振
常見問題
更多>>
Jauch晶振以獨特的深度技術咨詢、高應用和認證專業知識、先進的測試環境、高可用性和快速交付的產品和全球最大的石英晶振頻率生成設備倉庫來強調我們的領導能力.因此,我們仍然是一個有吸引力和可靠的雇主,并且是一個先進且持續成功的公司. 我們的基本原則,包括我們的雇員的安全和健康,童工,歧視,公平薪酬,腐敗,賄賂以及環境保護,都在JAUCH集團的行為準則中得到了支持.在良好的商業關系基礎上,我們期望每個參與公司成功的人都能遵守這些行政原則.
我們所有的活動都是按照社會標準和現行立法進行的.這一承諾適用于整個JAUCH公司:JAUCH Quartz GmbH德國,子公司JAUCH Quartz France SAS,JAUCH Quartz UK ltd .,JAUCH Quartz America,inc .和所有現有的業務關系.遵守國家標準和規定.對電池的運輸、儲存和處置的相關標準和程序進行跟蹤.同樣的規定也適用于石英晶振的廢物管理、化學品和其他有害物質的處理和處置、排放和廢水處理.

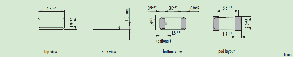
JAUCH晶振,貼片晶振,JTX520晶振,本身體積小,超薄型石英晶體諧振器,特別適用于有目前高速發展的高端電子數碼產品,因為晶振本身小型化需求的市場領域,小型,薄型是對應陶瓷諧振器(偏差大)和普通的石英晶體諧振器(偏差小)的中間領域的一種性價比較出色的產品.產品廣泛用于筆記本電腦,無線電話,衛星導航HDD, SSD, USB, Blu-ray等用途,符合無鉛焊接的高溫回流焊曲線特性.
|



存儲事項
(1) 在更高或更低溫度或高濕度環境下長時間保存進口貼片晶振產品時,會影響頻率穩定性或焊接性.請在正常溫度和濕度環境下保存這些晶體產品,并在開封后盡可能進行安裝,以免長期儲藏.正常溫度和濕度:
溫度:+15°C 至 +35°C,濕度 25 % RH 至 85 % RH(請參閱“測試點JIS C 60068-1 / IEC 60068-1的標準條件”章節內容).JTX520晶振,兩腳金屬面封裝晶振,KHZ貼片晶振。
(2) 請仔細處理內外盒與卷帶.外部壓力會導致卷帶受到損壞.
晶體單元/諧振器
激勵功率
在晶體單元上施加過多驅動力,會導致石英晶振特性受到損害或破壞.電路設計必須能夠維持適當的激勵功率 (請參閱“激勵功率”章節內容).
負極電阻
除非振蕩回路中分配足夠多的負極電阻,否則振蕩或振蕩啟動時間可能會增加(請參閱“關于振蕩”章節內容).JAUCH晶振,貼片晶振,JTX520晶振。
負載電容
振蕩電路中負載電容的不同,可能導致振蕩頻率與設計頻率之間產生偏差.試圖通過強力調整,可能只會導致不正常的振蕩.在使用之前,請指明該振動電路的負載電容(請參閱“負載電容”章節內容).

JAUCH晶振公司嚴格遵守國家有關工程建設法律、法規,不斷提高員工的質量意識和能力,履行合約、信守承諾,堅持開拓創新,生產新耐高溫晶振產品,培養員工的環保意識和生產產品能力,持續改進環保績效,優先使用環保型材料、設備及施工工藝,做到污染預防,最終創建具有環保、節能、適宜性特征的優質工程.JAUCH晶振,貼片晶振,JTX520晶振。
實行可持續發展戰略.采取有效措施,防治工業污染.提高能源利用效率,改善能源結構.運用經濟手段保護環境.大力推進科技進步,加強環境科學研究,積極發展環境保護產業.健全環境法規,強化環境管理.加強環境教育,不斷提高環境意識.本于‘善盡企業責任、降低環境沖擊、提升員工健康’的理念,執行各項環境及職業安全衛生管理工作;落實公司環安衛政策要求使環境暨32.768K音叉表晶產品安全衛生管理成效日益顯著,JTX520晶振,兩腳金屬面封裝晶振,KHZ貼片晶振。
JAUCH晶振公司事業廢棄物產出量逐年降低,可回收、再利用之廢棄物比例逐年提高,各項排放檢測數據符合政府法規要求.并由原材料管控禁用或限用環境危害物質與國際大廠對于綠色生產及綠色32.768K音叉晶體產品的要求相符,于2004年通過SONY 綠色伙伴(Green Partner)驗證.

深圳市兆現電子有限公司
聯系人:龔成
電話:0755--27876236聯系人:龔成
QQ:769468702
手機:13590198504
郵箱:zhaoxiandz@163.com
網站:http://www.jianlitc.cn/









